用CFD方法研究高大空间动态响应特性
2013-06-23 by:广州有限元分析、培训中心-1CAE.COM 来源:仿真在线
提出了通风空调精确仿真系统的概念,即将以分布参数模型为基础的CFD模拟和以集中参数模型为基础的控制系统仿真相结合的新的仿真系统,与常规的集中参数模型仿真系统相比,精确仿真系统能更好地反映实际系统的性能,特别适用于高大空间气流控制系统的仿真。通过瞬态CFD模拟的方法得到了高大空间恒温室的动态响应特性,如时间延迟、时间常数和比例系数等,并用实验进行了验证。
1 引言
近年来,随着经济的发展,越来越多的具有高精度湿湿度要求和舒适性要求的高大空间出现了,研究高大空间的气流控制系统成为一项重要的研究课题。很多学者对高大空间的气流组织进行了深入地研究,这些研究大多采用稳态的模型,本文的研究重点是气流控制系统,即对高大空间气流动态变化及其控制系统的研究,采用动态的CFD模拟和动态控制系统仿真模型。
本文的研究对象(见图1)是一个存在不均匀分布热源的高大空间精度恒温空调系统。针对扰动和控制对象的特点,通过方案比较,本文采用非贴附型下送风方形散流器上送下回气流组织方式,风口的具体布置见图1,并在稳态CFD模拟的基础上,确定了最优的送回风系统参数,即最优的送风温差(3℃)、送风速度(2.15m/s)、空调分区大小(5m× 5m,共36个)和风口尺寸(800mm×800mm)。本文将在此基础上对高大空间气流控制系统的动态仿真进行研究。

图 1 高大空间结构及设备布置
对于高大空间气流控制系统的动态仿真,本文提出2套解决方案,并分别进行了研究:
(1)常规的集中参数模型控制系统仿真,其中高大空间动态响应特性预选采用CFD方法进行模拟;
(2)精确仿真系统,即将以集中参数模型为基础的控制系统仿真和以分布参数模型为基础的CFD模拟无缝结合,实现对高大空间的精确仿真。
2 集中参数仿真系统及高大空间动态响应特性CFD模拟
2.1 集中参数仿真系统
常规的集中参数模型仿真系统示意图见图2,它具有以下的特点:
(1)对传感器、变送器和执行器等,由于它们传递信号的部位体积都很小,而且它们相应的信号参数分布基本上是均匀的,因此可以将它们处理成集中参数模型。
(2)对于高大空间,空间内各点的参数是不一样的,即各点的参数不仅与时间有关系,而且与空间位置有关系,不仅与外扰的强度有关系,而且与外扰的位置有关系,因此它是一个典型的分布参数系统。对它的计算应该用分布参数模型进行处理,以质量守恒、动量守恒和能量守恒为基础的室内气流流动和传热理论就是它的数学模型,其基本方程组为雷诺方程组[1]。但是,由于雷诺方程组的求解非常复杂费时,因此,在常规的集中参数模型仿真系统中,将它简化处理成集中参数系统,即认为高大空间是一个控制点参数为代表的集中参数环节,此时,可以通过CFD模拟或实验或理论分析(对简单情况)求出它的延迟时间、时间常数和放大系数[1]。传统的求取高大空间动态响应特性的方法是实验或者对简单情况的理论分析,但是这种方法不具有通用性,而且也不经济(实验需要大量的费用和时间),因此本文尝试采用CFD的方法研究高大空间的动态响应特性,对应的高大空间通风空调气流控制方程组见第3.2节。
(3)只要确定了高大空间的特性参数,高大空间气流控制就变成了一个常规的控制系统,其仿真也就变得容易和快速,但是,由于对高大空间本身的特性进行了简化,致使它不能精确地反映控制点参数的变化,因此其仿真精度是受到限制的,有时甚至很低,与实际情况相差较远。

图2 常规的集中参数模型仿真系统示意图
2.2 高大空间动态响应特性CFD模拟
2.2.1 计算条件
考虑高大空间为带纯滞后的一阶惯性系统,应计算系统的时间延迟 、时间常数T、放大系数K和特征比 。
为了考察控制点的位置对高大空间动态特性的影响,考虑将室内控制点设在各分区中心线上标高8m处(称为控制点A)和回风口中心(称为控制点B)两种情况,控制点A位置的确定主要是因为各分区气流交界面的中心点处于标高8m左右,稳态条件下,该位置的空气温度约为20℃,正好为系统平衡温度;控制点B为常规控制点。这两个控制点的一个共同特点是当系统运行于稳态条件时,系统正好不需要控制动作,这正是恒温空调控制系统的出发点,这样系统才能处于最优的运行状态。
数值计算时,在送回风口、热源、墙壁附近风格划分较密,网格间距为0.1m,其他区域网格划分较粗,网格间距为0.4m;数值计算边界条件如下:
(1)送风口,输入实际的送风速度和温度。
(2)回风口,规定出口压力为0。
(3)热源和墙壁,均为固体壁面,要用壁面函数法进行处理[3],其中热源为恒温55℃。
(4)对称或近似对称边界条件,规定边界面上的各物理量的法向导数为0。
瞬态数值计算除了要选用合理的欠松弛因子外,还必须选取合理的时间步长,开始计算时选定时间步长为0.05s,随着计算结果趋向收敛,可以逐步地将时间步长加大到0.075s和0.1s,从而加速收敛,减少计算时间。
2.2.2 计算结果及实验验证
图3 高大空间恒温室温度响应曲线
(a)送风温度变化曲线;(b)控制点温度响应曲线
CFD模拟方案:保持热源不变,将送风温度由17℃上升到21℃,待计算到稳定状态后再将送风温度由21℃下降到17℃,并计算到新的稳定状态。计算得到的温度飞升曲线见图3,由图3得到高大空间恒温室动态响应特性见表1。
高大空间恒温动态响应特性 表1
为了比较CFD模拟结果的正确性,对控制点A的动态响应特性进行了模型实验研究[1],实验所得控制点A的动态响应特性参数,加上CFD模拟和文献[6]所获得的结果见表2。从表2看出,对高大空间最重要的特性----时间常数来说,CFD模拟和实验的结果比较接近,两者相差91s,相对偏差为36.4%;而文献[6]所得时间常数则太大,显然文献[6]的时间常数计算公式不适用于本文所研究的高大空间。另一方面,CFD模拟和文献[6]所得时间延迟基本相同,显然,实验所测时间延迟是有较大误差的。综合考虑,认为CFD模拟的结果更可靠,从而选取它为该高大空间恒温温室的动态特性参数。
不同方法得到的高大空间恒温室动态响应特性比较(控制点A) 表2

3 精确仿真系统
3.1系统结构
鉴于常规的集中参数模型仿真系统的仿真精度不高,本文提出一种新的精度高的仿真系统,并称之为精确仿真系统,其定义为以分布参数模型为基础的CFD模拟和以集中参数模型为基础的控制系统仿真相结合的仿真系统。精确仿真系统的示意图见图4,与常规的集中参数模型仿真系统相比,它具有以下特点:

(1)对传感器、变送器和执行器等环节,按常规的集中参数模型控制系统的仿真处理。
(2)对于高大空间,用以分布参数模型为基础的CFD方法直接计算控制点的参数,实际上就是有瞬态CFD模拟方法直接得到控制点的温度、湿度等参数。用CFD方法直接得到控制点的参数,具有以下几个优点:
a) 用CFD方法可以精确计算送风和空间上任意位置的外扰对控制点参数的影响。由于本文的CFD模拟及其结果已经经过实验验证是正确的,因此其计算结果是可靠的。
b)用CFD方法的计算结果直接表示了实际系统的性能,它既可以表示线性系统又可以表示非线性系统;既可以表示一阶惯性系统又可以表示二阶和高阶惯性系统,显然比单纯用一阶惯性系统表示的模型精度高;同时,它还能表示实际系统在参数和结构上的不定常性。正因为如此,直接用CFD方法计算控制点参数时,没必要再详细研究实际系统的时间延迟、时间常数和放大系数等特性参数,这些性能已经自然地融合在它的计算结果中。
c)用CFD方法直接计算控制点的参数还可以使仿真模型通用化和简单化。在常规的仿真系统中,需要详细计算高大空间。内送风和各种外扰对控制点的影响,因此必须分别研究它们的特性参数,所以不同的高大空间就有不同传递函数个数和参数;而CFD模拟是一种通用的分析工具,适用于所有的高大空间,高大空间的各种传递函数及其参数已经体现在其计算结果中,没必要另行研究和计算。显然,作为一种研究方法,它更先进。
(3)精确仿真系统中,每一个环节都精确地表示了实际系统的特征,因此其仿真精度很高。与常规的集中参数模型仿真系统相比,它更能反映实际系统的性能,它将成为通风空调系统仿真发展的必然趋势。
3.2 CFD模拟的控制方程组
精确仿真系统中的CFD模拟为瞬态模拟,可以采用k-ε模型或者LES模型[7]。采用k-ε模型的高大空间通风空调室内三维瞬态湍流无因次方程组标准形式见表3。在此基础上,采用控制容积法建立离散方程组,就可以进行数值计算了。
标准形式的高大空间通风空调室内气流控制方程组 表3

其中:φ----无因次物理量,可以是1、速度分量ui、温度T、湍流动能K和湍流动能耗散率ε等;
u----速度矢量,m/s;
----φ的扩散系数;
----φ的广义源项。
3.3 仿真时间比
计算机控制仿真系统都要选定一个采样周期,采样周期根据系统中各环节参数和采样定理确定,在类似本文所研究的带有纯滞后的大惯性恒温空调系统中,温度控制的采样周期应为高大空间时间延迟的1/3~1/4[4,5],通常取值为15~20s[6]。在实时精确仿真系统中,要求在采样周期内,完成瞬态CFD模拟以得到室内控制点在一个采样周期内的温度变化。经过分析可知,在精确仿真系统中,涉及到四个时间概念:
1.采样周期Ts:根据采样定理确定的采样时间间隔;
2.计算步距Tc:仿真时所用的计算时间步长,Tc≤Ts;
3.仿真时间Tf:需要仿真的时间段的长度;
4.仿真所用时间Tu:完成仿真时间Tf内的仿真所花费的计算机运算时间。
为了研究精确仿真系统,需要考虑仿真所用的时间Tu与仿真时间Tf的比值,本文提出仿真时间比的概念,并定义仿真时间比ξ为:
(1)
在多数情况下,需要研究一个采样周期Ts内的仿真所用的时间Tu,这时仿真时间比ξ定义为:
(2)
显然,在实时仿真系统中,要求ξ<1.0。
在简单的常规集中参数模型仿真系统中,计算步距只有一个,因此计算步距就等于采样周期,但是在精确仿真系统中,在对高大空间进行瞬态的CFD模拟时,必须采用较小的计算步距,一般取值为0.01~1.0s,而高大空间控制系统的计算步距(即采样周期)通常远大于这个值,因此精确仿真系统是一个变时间步长的仿真系统。
在精确仿真系统中,由于控制部分均为集中参数模型,其计算所用的时间很短,可以忽略不计,因此采样周期内的仿真所用的时间Tu主要是CFD模拟所用的时间,CFD模拟所用的时间与以下因素有关:
1.所用计算机的运算速度,用cpu表示,这是硬件条件,它与计算机的CPU速度、内存速度等因素有关,CFD模拟所用的时间与计算机的总体运算速度成反比;
2.所模拟空间的网格数Nx·Ny·Nz,网格越多,所花的时间就越长;
3.CFD模拟所用的迭代方法method,迭代方法越先进,所用的时间就越短;
4.CFD模拟的计算步距H、单步迭代次数m,计算步距和单步迭代次数的最优组合能使计算所用的时间最短;
5.CFD模拟的收敛精度eps,收敛精度低时所用的时间短。
综上所述,可得到如下关系式:
(3)
3.4 计算实例
本文在DELL PC Pentium II 450 计算机(称为计算机A)上对所研究的高大空间的一个分区进行瞬态CFD模拟,考虑到分区的对称性,只研究它的1/4,网格数为13×13×53,所用迭代方法为逐线松弛法,仿真时间Tf为20.0s,计算步距为0.05s,单步迭代次数为20次,收敛精度为0.001,讦所用时间Tu为89.0s,仿真时间比为:
(4)
将上述问题在兼容的PC Pentium 90 计算机(称为计算机B)上进行计算所用的时间Tu为732.0s,仿真时间比ξ2为36.6,计算机A和B的运算速度这比为8.22:1。如果对同一问题采用PC486/33计算机(称为计算机C)进行计算,由于计算机C和B的速度之比约为1:10,因此相应的仿真所用时间Tu为7320s,仿真时间比ξ3为366。
如果总的仿真时间为1000s,则采用计算机A、B和C进行仿真所用的时间分别为4450 s(1.236h)、36600s(10.167h)和366000s(101.667h),显然,彩计算机C所用的时间太长,这就是以前的仿真中,一直不能采用精确仿真系统的主要原因;如果采用计算机A或B,对于非实时仿真系统来说,所用的时间基本上是可以接受的,但是,当仿真时间太长时,计算机B也将被使用者淘汰;而对实时仿真系统来说,即使采用计算机A,在上述计算机条件下,显然也是不可接受的,因为仿真所用的时间超过了仿真时间,这时的仿真实际是无意义的。
为了能够利用计算机A完成高大空间控制的实时精确仿真,本文对瞬态CFD模拟采取了如下的措施:
1.将CFD模拟的网格数减少为 9×9×20,模拟的结果表明,此时的气流运动规律没有因网格的减少而失真;
2.在仿真时间内改变单步迭代次数,使仿真收敛时所用时间较短,但由于本文没有改变计算步距,单步迭代次数的改变也只进行了2~10次,因此,所得到的较短的Tu是一个较优值,不一定是最优值。
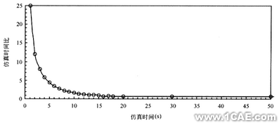
经过上述调整后,得到仿真时间和仿真时间比的关系曲线见图5。

图5 仿真时间和仿真时间比关系曲线
从图5可以看出,在固定计算步距时,在不同的仿真时间内,需要采用不同的单步迭代次数才能使仿真所时间较短,经过单步迭代次数优化后,开始时,随着仿真时间的加长,仿真所用时间反而减少,但由于单步迭代次数不能太少(否则仿真容易失真),因此当单步迭代次数减少到10次以后,仿真所用的时间随仿真时间的增加而增加。同时发现,仿真时间比基本上随仿真时间的增加而减少,当单步迭代交数减少到10次以后,仿真时间比基本上不再变化;当仿真时间达到15.0s时,仿真时间比ξ=0.93<1.0,当仿真时间达到20.0s时,仿真时间比为0.65,基本上达到最小值。因此,可以得出以下结论:
在本文所研究的仿真系统中,采样周期定为15.0~20.0s可以实现实时精确仿真(ξ<1.0),而根据采样定理和高大空间特性,本文所研究高大空间恒温的采样周期应为12.5~16.7s,因此,本文的实时精确仿真系统的采样周期应为15.0~16.7s。根据这种方法,可以确定其他实时精确仿真系统的采样周期。
4 结论
本文采用瞬态CFD模拟的方法得到了高大空间的动态响应特性,并通过实验证明结果是可靠的,可以用于高大空间气流控制系统的仿真。同时,本文论述了精确仿真系统的理论和可行性,认为在目前的条件下实时精确仿真系统是可以实现的。
作者建议:对于高大空间通风空调气流控制系统,在通常情况下可以采用集中参数模型进行仿真,其中的高大空间动态特性采用CFD方法得到,如果时间和经济上许可,建议采用精确仿真系统。为了使实时精确仿真系统更加可行、精确和完善,可以从以下几个方面对它进行改进和优化:
(1)研究出智能的CFD模拟方法,它能够自动地选择最好的迭代方法,并通过优化组合计算步距和单步迭代次数使仿真所用的时间最短。其中,先进的迭代方法也是有待进一步研究的内容。
(2)根据仿真时间比、采样定理和高大空间动态特性对采样周期进行优化,计算实时精确仿真系统的最优采样周期。
(3)使用高速的超级计算机。目前的个人计算机已经发展到CPU为Pentium IV 2 GHz,如果采用这种计算机,采样周期可以更短,从而可以实现更快速的控制系统;如果使用巨型计算机,则实时精确仿真系统更容易实现。
(4)开发一套完整的精确仿真软件,融合控制仿真系统和CFD模拟,最终实现室内气流及其控制的虚拟现实系统(Virtual Reality System),这是作者以后将要继续研究的内容。
参考文献
1 谭良才,基于神经模糊控制的高大空间恒温空调系统数字仿真及实验研究[同济大学博士学位论文]1999.9
2 [美]S.V.,帕坦卡著,张政译,传热与流体流动的数值计算,北京:科学出版社,1984
3 陶文铨,数值传热学,西安:西安交通大学出版社,1988
4 Edward Ratnam, Thomas Campbell, Roy Bradley. Advance Feedback Control o Indoor Air Quality Using Real-Time Computational Fluid Dynamics. ASHRAE Transactions 1998.
5 熊光楞,控制系统数字仿真,北京:清华大学出版社,1982
6 刘耀浩,热能与空调的微机测控技术,天津:天津大学出版社,1996
7 Davidson, L. And Nielsen, P. V.. Large Eddy Simulations of the Flow in a Three Dimensional Ventilated Room. Proc Of ROOMVENT’96 on Air Distribution in Rooms, Japan, 1996
相关标签搜索:用CFD方法研究高大空间动态响应特性 Fluent、CFX流体分析 HFSS电磁分析 Ansys培训 Abaqus培训 Autoform培训 有限元培训 Solidworks培训 UG模具培训 PROE培训 运动仿真




